{{ 'fb_in_app_browser_popup.desc' | translate }} {{ 'fb_in_app_browser_popup.copy_link' | translate }}
{{ 'in_app_browser_popup.desc' | translate }}
{{ childProduct.title_translations | translateModel }}
{{ getChildVariationShorthand(childProduct.child_variation) }}
{{ getSelectedItemDetail(selectedChildProduct, item).childProductName }} x {{ selectedChildProduct.quantity || 1 }}
{{ getSelectedItemDetail(selectedChildProduct, item).childVariationName }}
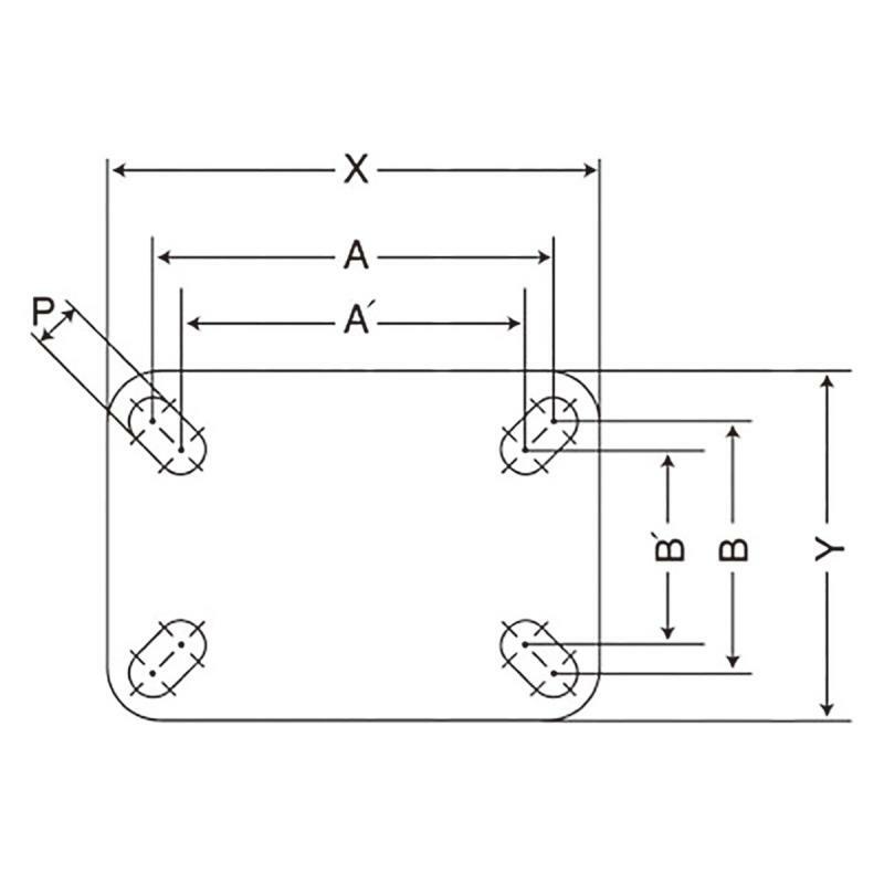
牽引用腳輪
全店,下單禮
商品存貨不足,未能加入購物車
您所填寫的商品數量超過庫存
{{'products.quick_cart.out_of_number_hint'| translate}}
{{'product.preorder_limit.hint'| translate}}
每筆訂單限購 -1 件
{{'products.quick_cart.quantity_of_stock_hint'| translate : {message: quantityOfStock} }}
可牽引的高耐久性規格
獨特的結構設計,使其可承受20km/h的動力牽引並達到高耐用性。
彈簧衝擊吸收
適當的設計,可防止彈簧彎曲並提供穩定的衝擊吸收效果。
旋轉部分使用止推軸承
考慮到在室內使用狀況,不易在地板上留下輪子痕跡。
用途
適合工廠內部搬運台車、動力牽引用台車…等。

