{{ 'fb_in_app_browser_popup.desc' | translate }} {{ 'fb_in_app_browser_popup.copy_link' | translate }}
{{ 'in_app_browser_popup.desc' | translate }}
{{ childProduct.title_translations | translateModel }}
{{ getChildVariationShorthand(childProduct.child_variation) }}
{{ getSelectedItemDetail(selectedChildProduct, item).childProductName }} x {{ selectedChildProduct.quantity || 1 }}
{{ getSelectedItemDetail(selectedChildProduct, item).childVariationName }}
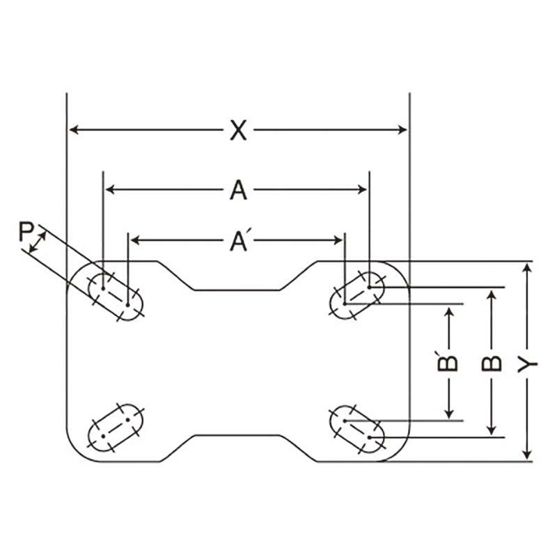
【不鏽鋼腳輪】SU-SKC series
全店,下單禮
商品存貨不足,未能加入購物車
您所填寫的商品數量超過庫存
{{'products.quick_cart.out_of_number_hint'| translate}}
{{'product.preorder_limit.hint'| translate}}
每筆訂單限購 {{ product.max_order_quantity }} 件
現庫存只剩下 {{ quantityOfStock }} 件
產品特色-
**日本NANSIN原裝進口
1. 全不銹鋼
腳輪全部採用不銹鋼配件。 非常適合防止生鏽的清潔環境中使用。
2. 彈性輪
彈性輪具有出色的耐用性,耐化學性和耐候性,並且具有平穩,柔軟地行駛的特點。
3. 易用性
SU-STC-65、75 S-12型採用了易於操作的大型前踏板。
運用-
運輸設備,例如食品機械,廚房設備,化學和製藥機械,貨車和手推車。
